Return
Main
Input
Control
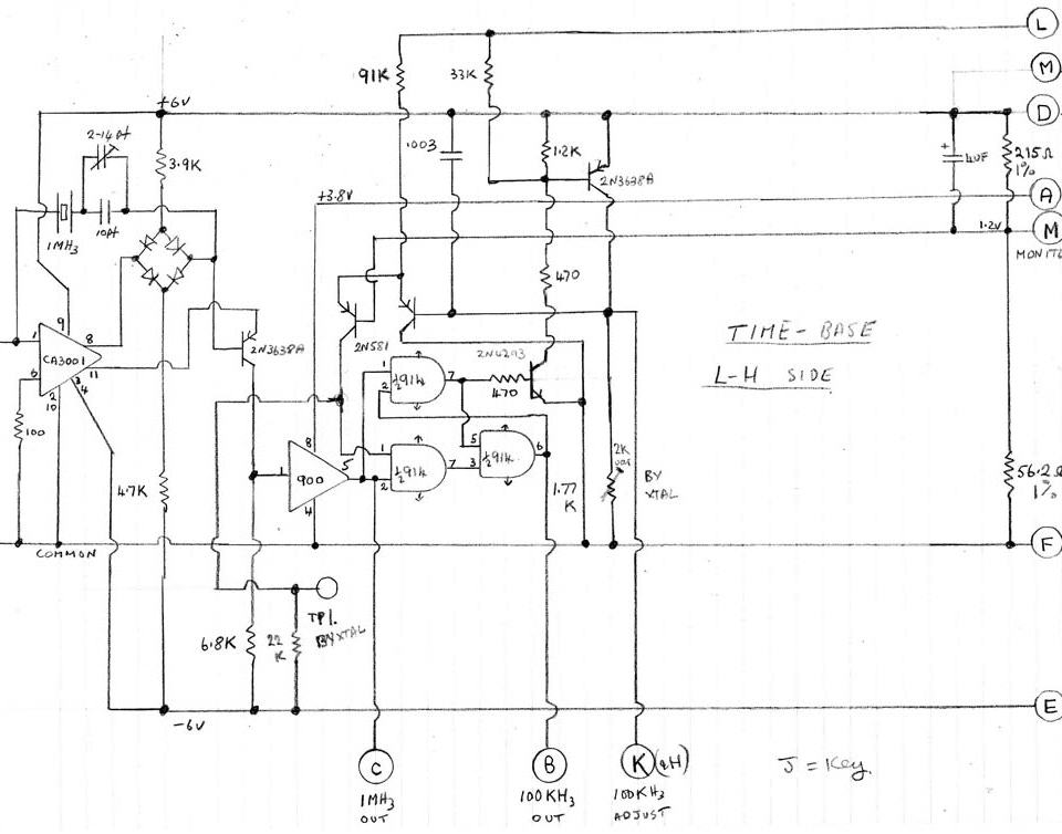
Timebase
Power
Download
Timebase
Ten Millisecond Gate
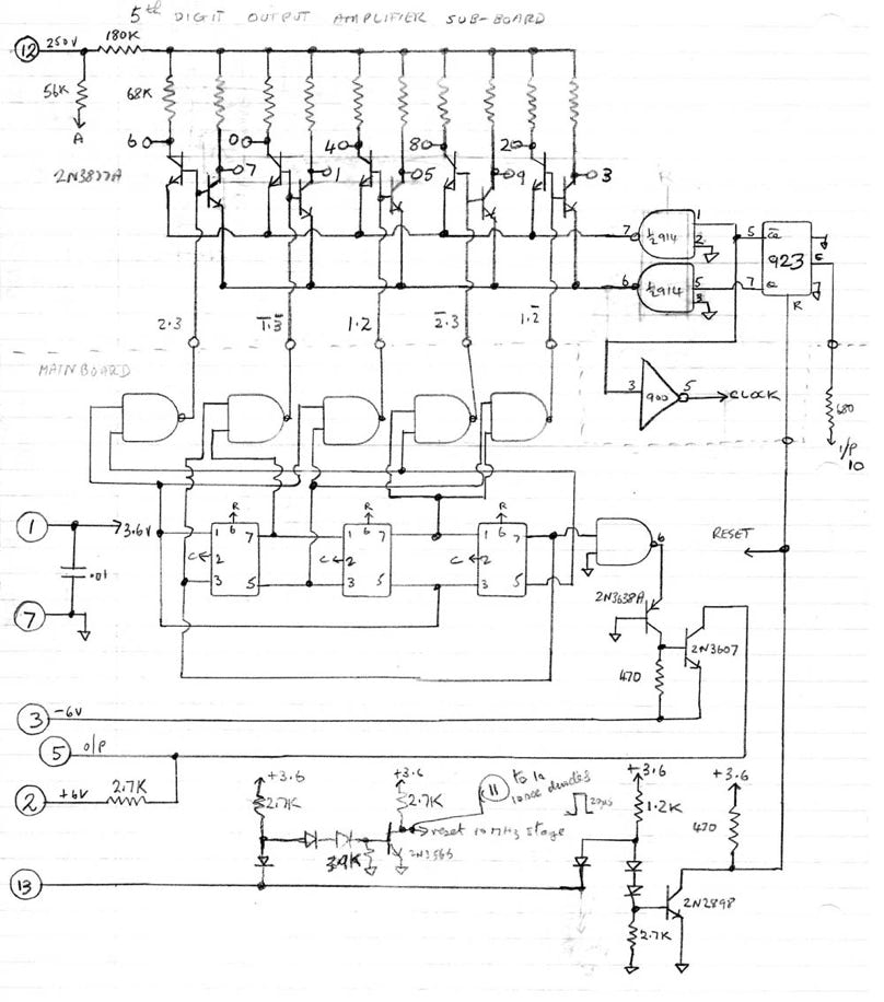
Decade