6-Button Controller “Pentagon”

This uses 6 arcade-style buttons which may be pressed single or in any combination, resulting in 63 possible control codes. 

However there are only 23 with 1,2 or 3 buttons pressed simultaneously.

Any code may be  On-Off or display selection.

It consumes no battery current until a button is pressed, then it transmits the selected code and shuts down. The battery has not needed ever to be changed.

It is retired.

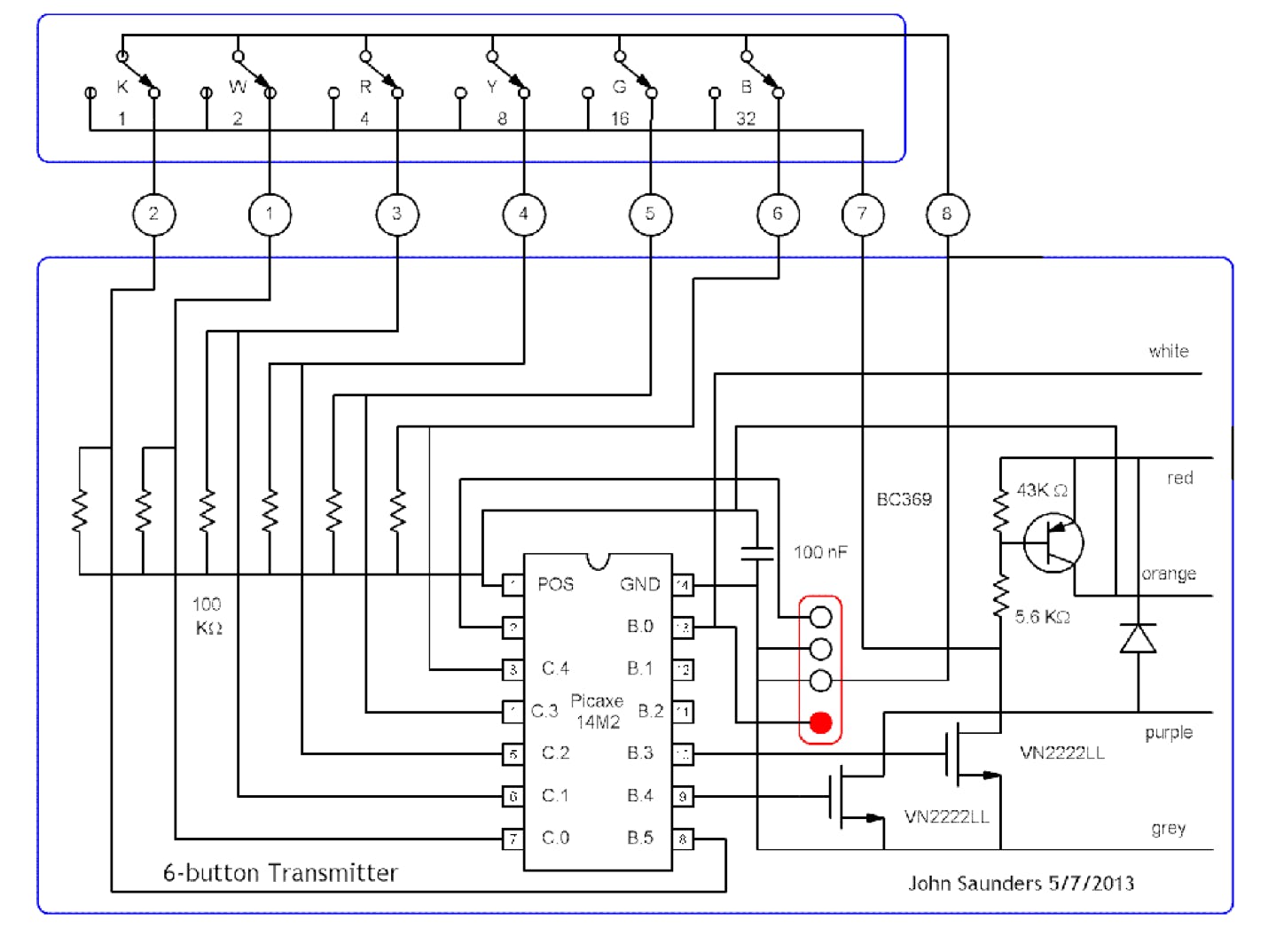
Circuit Diagram

The circuit uses a Picaxe 14M2 which has 4 functions:

1. Decode the buttons.

2. Maintain the power until the message has been transmitted.

3. Construct the message and transmit it,.

4 Make a sound.

It is on two circuit boards.

The buttons are SPDT microswitches. Any press initiates a power-on state

B.3 keeps to power on until the program stops.

B.4 provides an AC voltage for the sounder using PWM.

When not being programmed, the top two header pins are shorted with a jumper block.

Program

#rem 6Button-transmitter.bas

John Saunders  9/2/2022 checked 7/21/2024

#endrem

#PICAXE 14M2


'Output Ports

symbol TX_Data_Port     = B.0        'Idle low serial transmission at 2400 baud

symbol Power_Port       = B.3        'Turns on the power

symbol Sound_Port        = B.4        'Makes a beep


'Input Ports, go to 0 on press

symbol Red_Button        = PinC.1    'Weight 1  Pin 3 "R"

symbol Green_Button    = PinC.2    'Weight 2  Pin 5 "G"

symbol Blue_Button    = PinC.4    'Weight 4  Pin 6 "B"

symbol Yellow_Button    = PinC.3    'Weight 8  Pin 4 "Y"

symbol White_Button    = PinC.0    'Weight 16 Pin 2 "W"

symbol Black_Button    = PinB.5    'Weight 32 Pin 1 "K"


'Variables

symbol scratch        = b1

symbol dataAddr         = b2

symbol pressVal        = b3        'EEPROM address for the control character to be transmitted

symbol Index        = b4        'For loop counter

symbol Char            = b5        'Character to be transmitted

symbol Out_Alpha         = b6


'Constants

symbol TX_Interval    = 500      'Time between transmissions

symbol TX_Preamble      = 20        'A long pulse before the serial transmission to trigger an interrupt

symbol TX_Ser_Setup     = 10        'Gives time to execute the serial in command in the interrupt procedure

symbol Button_Wait      = 400        'Helps to perform multiple presses

symbol DisplayStartAddr = 20

symbol CommandStartAddr = 40

symbol TxPause        = 500


'EEPROM

DATA 0,("O","O","I","O","7","C","6")    'First Transmission

DATA 7,("C","D","I","A","m","C","J")    'Second Transmission

DATA DisplayStartAddr,(103,100,102,101,99,69,66)

DATA CommandStartAddr,(71,82,89,87,103,77,57,100,56,75,107,105,102,98,85,83)


Init:

SETFREQ m4                    'To conserve power

HIGH Power_Port

PWMOUT PWMDIV4,Sound_Port,63,126

LOW TX_Data_Port

PAUSE Button_Wait

LET pressVal = 2*Green_Button  + Red_Button

LET pressVal = 4*Blue_Button    + pressVal

LET pressVal = 8*Yellow_Button + pressVal

LET pressVal = 16*White_Button + pressVal

LET pressVal = 32*Black_Button  + pressVal


IF pressVal < 8 THEN        'A 3-button compatible commend

    LET dataAddr = PressVal - 1

    READ dataAddr,scratch

    IF scratch = "O" THEN        'A display commend    

        LET Out_Alpha = "O"

        LET dataAddr = PressVal + 6

        READ dataAddr,char

        GOSUB transmit

    ELSE

        LET Out_Alpha = " "

        LET Char = scratch

        GOSUB transmit

        PAUSE TxPause

        LET dataAddr = PressVal + 6

        READ dataAddr,Char

        GOSUB transmit

    ENDIF

ELSE

    LET Index = 100

    LOOKDOWN pressVal,(36,12,41,34,33,20,52),Index

    IF Index < 100 THEN

        LET Out_Alpha = "O"

        LET dataAddr = DisplayStartAddr + Index

        READ dataAddr,Char

        GOSUB transmit

    ENDIF

    LOOKDOWN pressVal,(48,14,11,42,19,38,32,16,9,8,40,10,49,17,22,21),Index

    IF Index < 100 THEN

        LET Out_Alpha = " "

        LET dataAddr = CommandStartAddr + Index

        READ dataAddr,Char

        GOSUB transmit

    ENDIF

ENDIF

PWMOUT Sound_Port,OFF

LOW Power_Port

PAUSE 1000

END


transmit:

HIGH TX_Data_Port            'This pulse unlocks the receiver by an interrupt via an integrator

PAUSE TX_Preamble

LOW TX_Data_Port

PAUSE TX_Ser_Setup

SEROUT TX_Data_Port,N2400_4,("14L1776") 'This preamble locks out other transmissions

IF Out_Alpha = "O" THEN

    SEROUT TX_Data_Port,N2400_4,("O",",")

ENDIF

SEROUT TX_Data_Port,N2400_4,(Char,13,10)

RETURN