In this diagram the large rectangle is the processor board. 

This is screwed onto the remains of the original 100 uA meter, via a metal bracket.

The mini-pro plugs into it. Only the back amplifier is hardwired, the other items are connected by headers on the board. Circles are female, diamonds are male. The programming header is part of the processor. It goes to an extension cable.

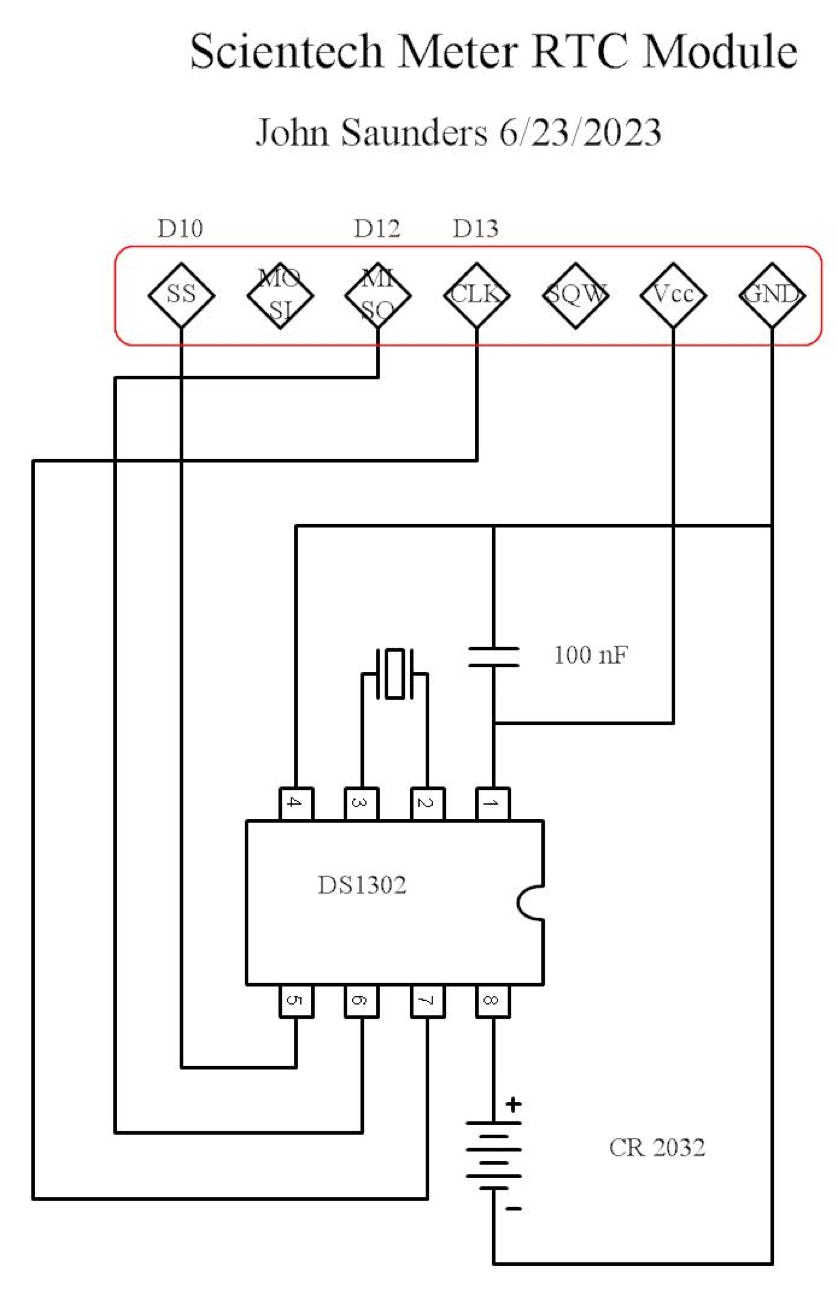
The RTC is a small board which plugs into, and is held by, the processor board.

The reset push-button is on the back. The Meter Amp is fastened to the right hand side panel. 

The neopixel arc is stuck to a sheet of smoked acrylic which is screwed onto the remains of the original 100 uA meter. All else are fastened to the front panel, including the .