These are the Adapter circuit diagrams:

This is the Interconnect Board:

Layout

This is the Driveway Patrol interface:

Wiringl

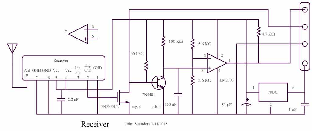
This is the Receiver

Pin Connections

These circuits interface to a Line Detection transformer and a BNC connector for DC voltage measurements in the range 0-20V:

VOutputs