Return
Main
WiFi Re-transmitter
BLE-Retransmitter
Grey Box Tx
Solar Tester
Line Monitor
Old Solar Tx
Old BLE-Retransmitter
Arduino Sketch
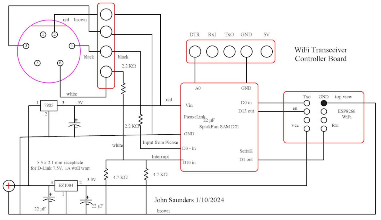
WiFi Re-Transmitter Controller Schematic